GP

Energy efficient grinder pumps constructed with IE3 motors. Grinding mechanism ensures that fibrous foreign matter is crushed and sewage is transferred without clogging at high heads.

Technical Data
  • ø Discharge bore mm: 50
  • Type of Fluid: Sewage
  • Max. PH Value: 6-14
  • Max. Capacity l/min: 378 - 538
  • Max. Head m: 43.8 - 63.2
  • Motor output kW: 5,5 - 11,0
  • Phase / Voltage: 3-phase / 400V / 50Hz
Performance curve
1 O
Specifications
Model Colour code curve ø Discharge bore mm Type of Fluid Max. PH Value Max. Capacity l/min Max. Head m Motor output kW Phase / Voltage Monitoring
free standing with guide rail fitting
50GP25.5 -A180 TOS50GP25.5 -A180 1 50 Sewage 6-14 378 43.8 5,5 3-phase / 400V / 50Hz double leakage sensor (mechanical seals chamber and stator housing) 1 signal
50GP27.5 -A190 TOS50GP27.5 -A190 2 50 Sewage 6-14 385 50 7,5 3-phase / 400V / 50Hz double leakage sensor (mechanical seals chamber and stator housing) 1 signal
50GP211 -B222 TOS50GP211 -B222 3 50 Sewage 6-14 538 63.2 11,0 3-phase / 400V / 50Hz double leakage sensor (mechanical seals chamber and stator housing) 1 signal
ø Discharge bore mm 50
Type of Fluid Sewage
Max. PH Value 6-14
Max. Capacity l/min 378
Max. Head m 43.8
Motor output kW 5,5
Phase / Voltage 3-phase / 400V / 50Hz
Monitoring double leakage sensor (mechanical seals chamber and stator housing) 1 signal
ø Discharge bore mm 50
Type of Fluid Sewage
Max. PH Value 6-14
Max. Capacity l/min 385
Max. Head m 50
Motor output kW 7,5
Phase / Voltage 3-phase / 400V / 50Hz
Monitoring double leakage sensor (mechanical seals chamber and stator housing) 1 signal
ø Discharge bore mm 50
Type of Fluid Sewage
Max. PH Value 6-14
Max. Capacity l/min 538
Max. Head m 63.2
Motor output kW 11,0
Phase / Voltage 3-phase / 400V / 50Hz
Monitoring double leakage sensor (mechanical seals chamber and stator housing) 1 signal
General
ø Discharge bore mm 50
Discharge Connection Inside thread, flange
Pumping Fluid
Type of Fluid Sewage
Temperature 0-40°C
Max. PH Value 6-14
Max. Capacity l/min 378 - 538
Max. Head m 43.8 - 63.2
Pump
Components
Impeller Grinder mechanism
Mechanical Seal Dual mechancial seal in oil bath
Material
Impeller Grey iron casting EN-GJL-250
Casing Grey iron casting EN-GJL-250
Suction Plate Chromium steel - X102 CrMo17 KU
Pump Body Grey iron casting EN-GJL-250
Mechanical Seal Silicon Carbide
Motor
Motor output kW 5,5 - 11,0
Starting method direct online
Type, Poles Induction motor, 2 poles, IP68
Insulation Insulation class H
Phase / Voltage 3-phase / 400V / 50Hz
r.p.m. 2905 - 2914
Motor Protector (built-in) bimetal thermal protectors (Klixon) in series
Monitoring double leakage sensor (mechanical seals chamber and stator housing) 1 signal
Rated Current 10.2 - 20
Material
Shaft AISI 431
Cable S1RN8F 4G4 + 3x1, S1RN8F 4G2.5 + 3x1
Cable Length 10m
Others
Dry Weight Kg 118 - 143
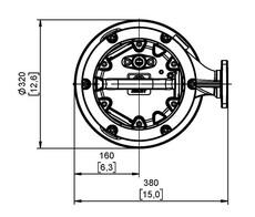
Dimensions - in mm
W1: lowest running water level
  • 50GP27.5 -A190
W1: lowest running water level
  • 50GP25.5 -A180
W1: lowest running water level
  • 50GP211 -B222
ModelA
50GP25.5 -A180-
50GP27.5 -A190-
50GP211 -B222-
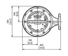
Dimensions - in mm
  • 50GP25.5 -A180
W1: lowest running water level
  • 50GP27.5 -A190
W1: lowest running water level
  • 50GP211 -B222
W1: lowest running water level
ModelA
50GP25.5 -A180-
50GP27.5 -A190-
50GP211 -B222-

GP series is a high-efficiency grinder pump with premium efficient IE3 motor. Designed for sewage applications requiring high delivery heads and low flow rates, the GP series operates effectively even with small pipe diameters.

Its advanced grinding system - featuring a rotary knife and stationary cutting ring - shreds solids into fine particles, enabling smooth and clog-free pumping. The hydraulics are constructed with a durable multi-channel open impeller, and the special conformation of the hydraulic part ensures the efficient expulsion of solids while preventing impeller fouling. Suitable application for example; Soiled liquids containing fibres and filaments, Professional and heavy-duty applications, etc...