BP

Energy saving sewage pumps equipped with open channel impeller and IE3 premium efficiency motor.

Technical Data
  • ø Discharge bore mm: 100 - 300
  • Type of Fluid: Sewage
  • Max. Solid Handling mm: 45 - 110
  • Max. PH Value: 6-14
  • Max. Capacity l/min: 2150 - 35000
  • Max. Head m: 10.10 - 40
  • Motor output kW: 3,0 - 132,0
  • Phase / Voltage: 3-phase / 400V / 50Hz
Performance curve
1 O
2 O
4 O
Specifications
Model Colour code curve ø Discharge bore mm Type of Fluid Max. Solid Handling mm Max. PH Value Max. Capacity l/min Max. Head m Motor output kW Phase / Voltage Monitoring
free standing with guide rail fitting
100BP43.0 -F170 TOS100BP43.0 -F170 1 100 Sewage 45 6-14 3170 10.10 3,0 3-phase / 400V / 50Hz double leakage sensor (mechanical seals chamber and stator housing) 1 signal
100BP44.0 -F200 TOS100BP44.0 -F200 2 100 Sewage 45 6-14 2250 14.70 4,0 3-phase / 400V / 50Hz double leakage sensor (mechanical seals chamber and stator housing) 1 signal
100BP45.5 -F230 TOS100BP45.5 -F230 3 100 Sewage 45 6-14 2150 19.7 5,5 3-phase / 400V / 50Hz double leakage sensor (mechanical seals chamber and stator housing) 1 signal
100BP47.5 -F230 TOS100BP47.5 -F230 4 100 Sewage 45 6-14 4300 20 7,5 3-phase / 400V / 50Hz double leakage sensor (mechanical seals chamber and stator housing) 1 signal
100BP411 -F260 TOS100BP411 -F260 5 100 Sewage 45 6-14 4590 25.7 11,0 3-phase / 400V / 50Hz double leakage sensor (mechanical seals chamber and stator housing) 1 signal
150BP411 -G246 TOS150BP411 -G246 6 150 Sewage 80 6-14 3930 15.60 11,0 3-phase / 400V / 50Hz double leakage sensor (mechanical seals chamber and stator housing) 1 signal
150BP418.5 -A270 TOS150BP418.5 -A270 7 150 Sewage 80 6-14 8400 24.90 18,5 3-phase / 400V / 50Hz double leakage sensor (mechanical seals chamber and stator housing) 1 signal
150BP422 -F290 TOS150BP422 -F290 8 150 Sewage 80 6-14 11000 28 22,0 3-phase / 400V / 50Hz double leakage sensor (mechanical seals chamber and stator housing) 1 signal
150BP430 -F315 TOS150BP430 -F315 9 150 Sewage 80 6-14 12300 34.5 30,0 3-phase / 400V / 50Hz double leakage sensor (mechanical seals chamber and stator housing) 1 signal
200BP637 -C430 TOS200BP637 -C430 10 200 Sewage 100 6-14 17700 24.8 37,0 3-phase / 400V / 50Hz double leakage sensor (mechanical seals chamber and stator housing) 1 signal
200BP645 -C460 TOS200BP645 -C460 11 200 Sewage 100 6-14 18800 30 45,0 3-phase / 400V / 50Hz double leakage sensor (mechanical seals chamber and stator housing) 1 signal
300BP637 -B405 TOS300BP637 -B405 12 300 Sewage 110 6-14 23400 21.3 37,0 3-phase / 400V / 50Hz double leakage sensor (mechanical seals chamber and stator housing) 1 signal
300BP645 -B435 TOS300BP645 -B435 13 300 Sewage 110 6-14 25000 25.30 45,0 3-phase / 400V / 50Hz double leakage sensor (mechanical seals chamber and stator housing) 1 signal
300BP655 -B460 TOS300BP655 -B460 14 300 Sewage 110 6-14 27000 28.80 55,0 3-phase / 400V / 50Hz double leakage sensor (mechanical seals chamber and stator housing) 1 signal
300BP690 -C477 TOS300BP690 -C477 15 300 Sewage 110 6-14 33100 33 90,0 3-phase / 400V / 50Hz double leakage sensor (mechanical seals chamber and stator housing) 1 signal
300BP6132 -D520 TOS300BP6132 -D520 16 300 Sewage 110 6-14 35000 40 132,0 3-phase / 400V / 50Hz double leakage sensor (mechanical seals chamber and stator housing) 1 signal
ø Discharge bore mm 100
Type of Fluid Sewage
Max. Solid Handling mm 45
Max. PH Value 6-14
Max. Capacity l/min 3170
Max. Head m 10.10
Motor output kW 3,0
Phase / Voltage 3-phase / 400V / 50Hz
Monitoring double leakage sensor (mechanical seals chamber and stator housing) 1 signal
ø Discharge bore mm 100
Type of Fluid Sewage
Max. Solid Handling mm 45
Max. PH Value 6-14
Max. Capacity l/min 2250
Max. Head m 14.70
Motor output kW 4,0
Phase / Voltage 3-phase / 400V / 50Hz
Monitoring double leakage sensor (mechanical seals chamber and stator housing) 1 signal
ø Discharge bore mm 100
Type of Fluid Sewage
Max. Solid Handling mm 45
Max. PH Value 6-14
Max. Capacity l/min 2150
Max. Head m 19.7
Motor output kW 5,5
Phase / Voltage 3-phase / 400V / 50Hz
Monitoring double leakage sensor (mechanical seals chamber and stator housing) 1 signal
ø Discharge bore mm 100
Type of Fluid Sewage
Max. Solid Handling mm 45
Max. PH Value 6-14
Max. Capacity l/min 4300
Max. Head m 20
Motor output kW 7,5
Phase / Voltage 3-phase / 400V / 50Hz
Monitoring double leakage sensor (mechanical seals chamber and stator housing) 1 signal
ø Discharge bore mm 100
Type of Fluid Sewage
Max. Solid Handling mm 45
Max. PH Value 6-14
Max. Capacity l/min 4590
Max. Head m 25.7
Motor output kW 11,0
Phase / Voltage 3-phase / 400V / 50Hz
Monitoring double leakage sensor (mechanical seals chamber and stator housing) 1 signal
ø Discharge bore mm 150
Type of Fluid Sewage
Max. Solid Handling mm 80
Max. PH Value 6-14
Max. Capacity l/min 3930
Max. Head m 15.60
Motor output kW 11,0
Phase / Voltage 3-phase / 400V / 50Hz
Monitoring double leakage sensor (mechanical seals chamber and stator housing) 1 signal
ø Discharge bore mm 150
Type of Fluid Sewage
Max. Solid Handling mm 80
Max. PH Value 6-14
Max. Capacity l/min 8400
Max. Head m 24.90
Motor output kW 18,5
Phase / Voltage 3-phase / 400V / 50Hz
Monitoring double leakage sensor (mechanical seals chamber and stator housing) 1 signal
ø Discharge bore mm 150
Type of Fluid Sewage
Max. Solid Handling mm 80
Max. PH Value 6-14
Max. Capacity l/min 11000
Max. Head m 28
Motor output kW 22,0
Phase / Voltage 3-phase / 400V / 50Hz
Monitoring double leakage sensor (mechanical seals chamber and stator housing) 1 signal
ø Discharge bore mm 150
Type of Fluid Sewage
Max. Solid Handling mm 80
Max. PH Value 6-14
Max. Capacity l/min 12300
Max. Head m 34.5
Motor output kW 30,0
Phase / Voltage 3-phase / 400V / 50Hz
Monitoring double leakage sensor (mechanical seals chamber and stator housing) 1 signal
ø Discharge bore mm 200
Type of Fluid Sewage
Max. Solid Handling mm 100
Max. PH Value 6-14
Max. Capacity l/min 17700
Max. Head m 24.8
Motor output kW 37,0
Phase / Voltage 3-phase / 400V / 50Hz
Monitoring double leakage sensor (mechanical seals chamber and stator housing) 1 signal
ø Discharge bore mm 200
Type of Fluid Sewage
Max. Solid Handling mm 100
Max. PH Value 6-14
Max. Capacity l/min 18800
Max. Head m 30
Motor output kW 45,0
Phase / Voltage 3-phase / 400V / 50Hz
Monitoring double leakage sensor (mechanical seals chamber and stator housing) 1 signal
ø Discharge bore mm 300
Type of Fluid Sewage
Max. Solid Handling mm 110
Max. PH Value 6-14
Max. Capacity l/min 23400
Max. Head m 21.3
Motor output kW 37,0
Phase / Voltage 3-phase / 400V / 50Hz
Monitoring double leakage sensor (mechanical seals chamber and stator housing) 1 signal
ø Discharge bore mm 300
Type of Fluid Sewage
Max. Solid Handling mm 110
Max. PH Value 6-14
Max. Capacity l/min 25000
Max. Head m 25.30
Motor output kW 45,0
Phase / Voltage 3-phase / 400V / 50Hz
Monitoring double leakage sensor (mechanical seals chamber and stator housing) 1 signal
ø Discharge bore mm 300
Type of Fluid Sewage
Max. Solid Handling mm 110
Max. PH Value 6-14
Max. Capacity l/min 27000
Max. Head m 28.80
Motor output kW 55,0
Phase / Voltage 3-phase / 400V / 50Hz
Monitoring double leakage sensor (mechanical seals chamber and stator housing) 1 signal
ø Discharge bore mm 300
Type of Fluid Sewage
Max. Solid Handling mm 110
Max. PH Value 6-14
Max. Capacity l/min 33100
Max. Head m 33
Motor output kW 90,0
Phase / Voltage 3-phase / 400V / 50Hz
Monitoring double leakage sensor (mechanical seals chamber and stator housing) 1 signal
ø Discharge bore mm 300
Type of Fluid Sewage
Max. Solid Handling mm 110
Max. PH Value 6-14
Max. Capacity l/min 35000
Max. Head m 40
Motor output kW 132,0
Phase / Voltage 3-phase / 400V / 50Hz
Monitoring double leakage sensor (mechanical seals chamber and stator housing) 1 signal
General
ø Discharge bore mm 100 - 300
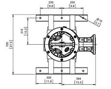
Discharge Connection DN 100 EN 1092-2, DN 150 EN 1092-2, DN 200 EN 1092-2, DN 300 EN 1092-2
Pumping Fluid
Type of Fluid Sewage
Temperature 0-40°C
Max. Solid Handling mm 45 - 110
Max. PH Value 6-14
Max. Capacity l/min 2150 - 35000
Max. Head m 10.10 - 40
Pump
Components
Impeller Open channel impeller
Mechanical Seal Dual mechancial seal in oil bath
Material
Impeller Grey iron casting EN-GJL-250
Casing Grey iron casting EN-GJL-250
Suction Plate Grey iron casting EN-GJL-250
Pump Body Grey iron casting EN-GJL-250
Mechanical Seal Silicon Carbide
Motor
Motor output kW 3,0 - 132,0
Starting method direct online , star/delta
Type, Poles Induction motor, 4 poles, IP68, Induction motor, 6 poles, IP68
Insulation Insulation class H
Phase / Voltage 3-phase / 400V / 50Hz
r.p.m. 980 - 1475
Motor Protector (built-in) bimetal thermal protectors (Klixon) in series
Monitoring double leakage sensor (mechanical seals chamber and stator housing) 1 signal
Rated Current 6.60 - 273.2
Material
Shaft AISI 431
Cable S1RN8F 7G1.5 + 3x1, S1RN8F 4G2.5 + 3x1, S1RN8F 7G4 + 3x1, S1RN8F 4G6 x 2, S1RN8F 4G10 x 2, S1RN8F 4G16 x 2, S1RN8F 4G50 x 2, S1RN8F 4G35 x 2
Cable Length 10m
Others
Dry Weight Kg 191 - 2046
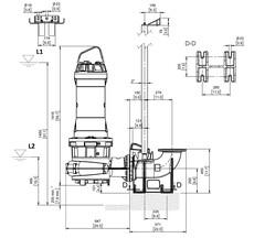
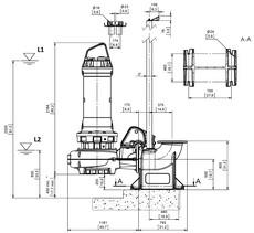
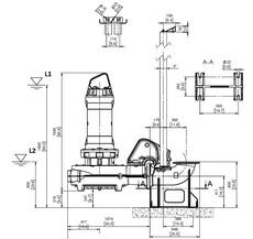
Dimensions - in mm
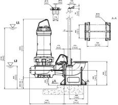
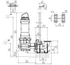
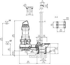
W1: lowest running water level
  • 200BP637 -C430
W1: lowest running water level
  • 150BP430 -F315
W1: lowest running water level
  • 150BP422 -F290
W1: lowest running water level
  • 150BP418.5 -A270
W1: lowest running water level
  • 150BP411 -G246
W1: lowest running water level
  • 100BP411 -F260
W1: lowest running water level
  • 100BP47.5 -F230
W1: lowest running water level
  • 100BP45.5 -F230
W1: lowest running water level
  • 100BP44.0 -F200
W1: lowest running water level
  • 100BP43.0 -F170
W1: lowest running water level
  • 300BP6132 -D520
W1: lowest running water level
  • 300BP690 -C477
W1: lowest running water level
  • 300BP655 -B460
W1: lowest running water level
  • 300BP645 -B435
W1: lowest running water level
  • 300BP637 -B405
W1: lowest running water level
  • 200BP645 -C460
ModelA
100BP43.0 -F170-
100BP44.0 -F200-
100BP45.5 -F230-
100BP47.5 -F230-
100BP411 -F260-
150BP411 -G246-
150BP418.5 -A270-
150BP422 -F290-
150BP430 -F315-
200BP637 -C430-
200BP645 -C460-
300BP637 -B405-
300BP645 -B435-
300BP655 -B460-
300BP690 -C477-
300BP6132 -D520-
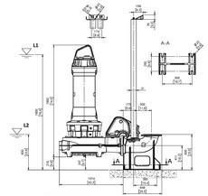
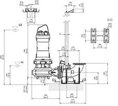
Dimensions - in mm
  • 150BP430 -F315
W1: lowest running water level
  • 150BP422 -F290
W1: lowest running water level
  • 150BP411 -G246
W1: lowest running water level
  • 100BP411 -F260
W1: lowest running water level
  • 100BP47.5 -F230
W1: lowest running water level
  • 100BP45.5 -F230
W1: lowest running water level
  • 100BP44.0 -F200
W1: lowest running water level
  • 100BP43.0 -F170
W1: lowest running water level
  • 150BP418.5 -A270
W1: lowest running water level
  • 300BP6132 -D520
W1: lowest running water level
  • 300BP690 -C477
W1: lowest running water level
  • 300BP655 -B460
W1: lowest running water level
  • 300BP645 -B435
W1: lowest running water level
  • 300BP637 -B405
W1: lowest running water level
  • 200BP645 -C460
W1: lowest running water level
  • 200BP637 -C430
W1: lowest running water level
ModelA
100BP43.0 -F170-
100BP44.0 -F200-
100BP45.5 -F230-
100BP47.5 -F230-
100BP411 -F260-
150BP411 -G246-
150BP418.5 -A270-
150BP422 -F290-
150BP430 -F315-
200BP637 -C430-
200BP645 -C460-
300BP637 -B405-
300BP645 -B435-
300BP655 -B460-
300BP690 -C477-
300BP6132 -D520-

BP series represents the high-efficiency product line, to meet the growing demand for energy-saving and reliable pumping solutions. To achieve maximum overall efficiency and reduce energy consumption, the BP series is equipped with IE3 premium efficiency motors. The special conformation of the hydraulic part with open channel impeller ensures the expulsion of solids and prevents fouling of the impeller, even when handling contaminated or sludge-laden water with high solids content.

The BP series is perfectly suited for demanding applications such as: Recirculation of industrial and process waters, Civil lifting systems, Drainage and lifting of water from first rainfall tanks, etc...